CAT874 †

IoT対応
Renesasエレクトロニクス社製 RZ/G2E 搭載 インダストリアルグレード組込みLinuxボード
CAT874は ARM CortexA53(1.2GHz) Dualコア を採用した高性能・小型・低消費電力なボードコンピュータです。
特徴 †
- 96boards 互換インターフェイスを持ち各社のメザニンボードを組み合わせてシステム拡張が出来ます。
- 再利用可能な回路図・部品表が添付されます。(※1)
- 「Linux + RTOS」 同時実行可能なデュアルOS開発ツールをご紹介可能です。
(京都マイクロコンピュータ株式会社製 SOLID が公式に対応)
仕様 †
Rev.E †
Rev.Eについてはこちら CAT874_revision
Rev.C †
| CPU | Renesas Electronics RZ/G2E (R8A774C0) ARM Cortex-A53 Dual Core (32/64bit) |
| CPU clock | 1.2GHz |
| Main Memory | DDR3L 2GByte(32bit-bus) |
| QSPI NOR FLASH ROM | 64 MByte |
| I2C EEPROM | 512 byte |
| Ethernet | 100/1000Base-TX x1 |
| WiFi | 802.11a/b/g/n |
| Bluetooth | 4.2 and BLE |
| USB 2.0 | x4 Ch |
| USB 3.0 | x1 Ch Type-c |
| オーディオ Audio | IN/OUT |
| カレンダーIC Calender IC | バッテリーバックアップ可能 |
| ストレージ Storage | microSD slotx1 |
| 拡張スロット Extend card slot | PCI Express |
| 電源 Power | DC12V |
| 動作温度 Operation Temp. | -25C to 85C (without dew condensation) |
| 寸法 Outline | 100x85mm 107g |
| 3D Graphics | PowerVR GE8300 (OpenGL ES 3.1 supported) |
| VIDEO out function | HDMI out / LVDS out / MIPI DSI out |
| CAMERA I/F | CSI-2 |
消費電力(DC12V)実測値
| u-boot 停止時 | 210mA |
| Linux起動後 停止時 | 280mA |
| CPU演算負荷 | 300mA |
| suspend to ram | 200mA |
| Linuxアイドル時 LANケーブルdown | 240mA |
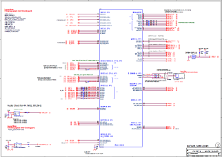
I/F部分 (Rev.C)

ステータス †
update 2025/1/7 更新
ステータス 発売中
在庫ある分については納期1week以内です。
供給期間 †
弊社のCATシリーズ製品は発売開始から10年間の供給を予定しています。
EK874 RZ/G2E Board (2019年-2029年)
ただし途中で主要半導体の製造が終了した場合 (EOL)は、互換性を考慮して可能な限りの代替策を考えますが、やむを得ずリビジョン変更や製造終了が早まる可能性もあります。
開発機材 †
開発キットEK874 †
最初の1台目は開発ツールが同梱されているキット EK874 をお求めください。
開発キットEK874に同梱している物リスト
- CAT874 CPU基板, CAT875 サブ基板
- 開発ツールDVD(または DVD .isoイメージダウンロードパスワード)
- 電源 (12V, 2A)
- 電源ケーブル
- UART USBシリアル変換ケーブル
- microUSBケーブル
- スペーサ(4個)
開発用DVDには再利用可能な設計資料が収録されています。
(Rev.C , Rev.E 共通でどちらの資料も入っています)
なお、基板単体の "CAT874" は製品への量産採用として決定いただいた際の注文型番となります。
年間予定数量、一度のご注文数量等をヒヤリングし見積対応いたします。
回路図CADデータ †

cadence社 OrCAD 拡張子(.dsn .net .bom) 及び PDF
パターンCADデータ †
Rev.C †
図研 CR-5000 Version 21 拡張子(.pcb)
Rev.E †
cadence社 Allegro 拡張子(.brd)
ガーバーデータ †

拡張子(.drd .phd ) 及び PDF
これらCADデータはお客様にて再利用(複製)していただいて構いませんが、動作については無保証とします。またご質問にもお答えできません。
量産用CPU基板 CAT874 でご注文の場合は上記同梱品(2)から(7)は付属しません。
量産用CPU基板 CAT874 については年間予定数量(MOQ 10以上)で見積をお承りいたします。
EK874に同梱していないもの(別途必要な物)
- パソコン(Windows10/64bit推奨)
- LANケーブル
- microSD メモリカード
資料 †
マニュアルPDF
Web資料
カタログ †
CAT874_201911mini.pdf
お問い合わせ †
シリコンリナックス株式会社
052-219-4277 CATシリーズ担当者 (海老原/岩崎/新谷、エビハラ/イワサキ/シンタニ)
sales@si-linux.co.jp
関連 †
社内リンク †
社外リンク †
ルネサス社 EK874 情報サイト
自動リンク †